水厂取水口水质在线监测系统建设方案
二O二五年三月
目录
净水厂是为农村供水,日供水总量达2.5万吨/日。服务范围为孝泉镇、双东镇、德新镇、柏隆镇、黄许镇、孝感街道、天元街道共7个乡镇。
水是生命之源,饮用水源区水质和饮水安全工程的水质直接关系到人民群众生命安全问题是否能得到保障,因此,加强饮用水源区水质监测,保障饮用水源区的供水安全,建设水质自动监测站是很有必要的。孝感水厂做为德阳全市城市供重要供水,饮用水源取水口进行水质自动监测也是必不可少。水质自动监测可以实现水质的实时连续监测和远程监控,达到及时掌握水源变化规律,实现对水质预警功能。长期收集大量水质监测数据有助于判断污染物质的来源、分布、迁移和变化的规律,对水质污染趋势做出预测。此外水质自动监测体现了水环境监测技术手段的科学化和现代化,对国家生态环境保护决策部门及时做出有效的水污染防治和管理对策等方面均具有重要的意义。
根据住房和城乡建设部于2017年发布的CJJ_T271-2017《城镇供水水质在线监测技术标准》原水在线监测湖库型应监测pH、浑浊度、溶解氧、水温、电导率等指标,水体富营养化时应增加叶绿素a等指标,水易遭污染时,应增加氨氮、耗氧量、紫外(UV)吸收等其他特征性指标。存在重金属污染风险增加重金,必要时增加生物毒性等。柏隆净水厂水源地为河流型,现根据国家对饮用水源地水质监测指标,水质在线监测一期拟定取水口原水在线监测建设监测指标:温度、pH、浊度、电导率、溶解氧、高锰酸盐指数、氨氮、总磷、总氮、生物毒性等10项,二期根据实际情况增补水中油、生物毒性、重金属等。
GB3838-2002 地表水环境质量标准
CJJ_T271-2017《城镇供水水质在线监测技术标准》
HJ/T 91-2002 地表水和污水监测技术规范
HJ/T 96-2003 pH水质自动分析仪技术要求
HJ/T 97-2003 电导率仪水质自动分析仪技术要求
HJ/T 98-2003 浊度水质自动分析仪技术要求
HJ/T 99-2003 溶解氧(DO)水质自动分析仪技术要求
HJ/T 100-2003《COD Mn水质自动分析仪技术要求》
HJ/T 101-2003 氨氮水质自动分析仪技术要求
HJT 103-2003总磷水质自动分析仪技术要求
HJ T102-2003总氮水质自动分析仪技术要求
ISO 11348-3-2007 水质水样对弧菌类光发射抑制影响的测定
GB/T 15441-1995水质急性毒性的测定发光细菌法
HJ/T 52-1999 水质河流采样技术指导
HJ/T 355-2007《水污染源在线监测系统运行与考核技术规范(试行)》
HJ/T 352-2007 环境污染源自动监控信息传输、交换技术规范(试行)
GB 50011-2001《建筑抗震设计规范》
GB 50015-2003《建筑给水排水设计规范》
GB 50016-2006《建筑设计防火规范》
GB 50057-2010《建筑物防雷设计规范》
GB 50303-2011《建筑电气工程施工质量验收规范》
监测指标与方法
序号 | 监测指标 | 监测方法 |
1 | 温度 | 热电阻法 |
2 | pH | 玻璃电极法 |
3 | 电导率 | 电极法 |
4 | 浊度 | 90°散射法 |
5 | 溶解氧 | 荧光法 |
5 | 高锰酸盐指数 | 高锰酸盐氧化电位滴定法 |
6 | 总磷 | 钼酸铵分光光度法 |
7 | 总氮 | 碱性过硫酸钾分光光度法 |
8 | 生物毒性 | 费希尔弧菌(发光菌法) |
9 | 氨氮 | 水杨酸分光光度法 |
根据要求,原水水质及环境管理需要、仪器设备适用性、当地特征污染因子和监测结果可比性选择水质自动监测项目。地表水质预警通常选择的水质参数为水温、pH、溶解氧、电导率、浊度、高锰酸盐指数、氨氮、总磷、总氮、生物毒性等。
l 常规五参数:温度、浊度、溶解氧、电导率、PH。
l 氨氮:测量被测水样中氨氮的含量。
l CODmn:耗氧量,是判断水质有机物污染的一个重要指标。
l 总磷总氮:衡量富营养化的一个重要指标。
l 毒性:检测水中污染物快速、全面、高效早期预警。
序号 | 监测指标 | 仪器名称 | 单位 | 数量 | 备注 |
1 | 五参数 | 在线五参数分析仪 | 套 | 1 | |
2 | 高锰酸盐指数 | 在线高锰酸盐指数分析仪 | 套 | 1 | |
3 | 氨氮 | 在线氨氮分析仪 | 套 | 1 | |
4 | 总磷 | 在线总磷分析仪 | 套 | 1 | |
5 | 总氮 | 在线总氮分析仪 | 套 | 1 | |
6 | 毒性 | 在线综合毒性分析仪 | 套 | 1 | |
7 | 留样器 | 水质自动采样仪 | 套 | 1 | |
8 | 含水质在线监测软件、采水单元、配水单元、控制单元、数据采集传输单元、辅助单元、视频单元、安装辅材等 | 套 | 1 | ||
水质自动分析仪器基本功能:
(1) 高锰酸盐指数、氨氮、总磷、总氮具有自动标样核查、零点校准、标样校准、自动加标、远程质控等功能;
(2) 具有异常信息记录、上传功能,如零部件故障、超量程报警、超标报警、缺试剂报警等信息;
(3) 具有仪器状态(如测量、空闲、故障等)显示;
(4) 具有自动清洗功能;
(5) 设备均采取水样、标样管路隔离,实现分开进样;
(6) 具有仪器基本参数贮存、显示、断电保护与自动恢复功能;
(7) 具有 RS-232 或 RS-485 标准通信接口;
(8) 具备 1 小时 1 次的监测能力,可根据需要任意设定监测频次。
测试项目 | 指标 | 技术要求 |
水温 | 测定原理 | 热电阻 |
量程 | 0℃~60 ℃,可调 | |
准确度 | ±0.5 ℃ | |
MTBF | ≥720 h/次 | |
pH | 测定原理 | 玻璃电极法 |
量程 | pH 0~14 (0~40 ℃),可调 | |
漂移(pH=4、7、9) | ±0.1 pH | |
重复性 | ±0.1 pH | |
响应时间 | ≤30 s | |
温度补偿精度 | ±0.1 pH | |
MTBF | ≥720 h/次 | |
实际水样比对试验 | ±0.1 pH | |
防护等级 | ≥IP65 | |
溶解氧 | 测定原理 | 荧光法 |
量程 | 0~20 mg/L,可调 | |
零点漂移 | ±0.3 mg/L | |
量程漂移 | ±0.3 mg/L | |
重复性 | ±0.3 mg/L | |
≤120 s | ||
温度补偿精度 | ±0.3 mg/L | |
MTBF | ≥720 h/次 | |
实际水样比对试验 | ±0.3pH | |
防护等级 | ≥IP65 | |
电导率 | 测定原理 | 电极法 |
最小检测范围 | 0~2000 mS/m(0~40℃),可调 | |
重复性误差 | ±1% | |
零点漂移 | ±1% | |
量程漂移 | ±1% | |
响应时间(T90) | ≤30s | |
温度补偿精度 | ±1% | |
MTBF | ≥720h/次 | |
实际水样比对试验 | ±1% | |
防护等级 | ≥IP65 | |
浊度 | 测定原理 | 光散射法 |
量程 | 0~1000NTU,可调 | |
重复性 | ±5% | |
零点漂移 | ±3% | |
量程漂移 | ±5% | |
线性误差 | ±5% | |
MTBF | ≥720h/次 | |
实际水样比对试验 | ±10% | |
防护等级 | ≥IP65 |
方法原理 | 高锰酸钾氧化—ORP电位滴定法 |
量程 | 0~20mg/L,可调 |
重复性 | ≤3% |
零点漂移 | ≤±5% F.S. |
量程漂移 | ≤±5% F.S. |
示值误差 | ≤±5% |
准确度 | ≤±5% |
检出限 | <0.5mg/L |
直线性 | ≤±5% F.S. |
分辨率 | 0.001 mg/L |
实际水样对比试验 | ≤±10% |
电压稳定性 | ≤±5% F.S. |
绝缘阻抗 | 1000MΩ以上 |
绝缘强度 | 1500V,50Hz/1min,无击穿和飞弧现象 |
泄漏电流 | ≤5mA |
最小单次测试时间 | <60min(示值误差±5%以内) |
其他功能要求 | 1、仪器采用电极滴定法,保证测量过程不受水体的颜色和浊度影响。 2、仪器集酸法测试与碱法测试于一体,满足不同氯离子浓度的水质测试要求,可自动切换酸/碱法高锰酸盐指数进行测试。 3、仪器消解模块有温度过热熔断保护功能,当温度过高时可自行熔断,避免仪器配件损伤。 4、仪器自身可实现自动水样测试、校准、标准样测试、标液核查、平行样核查、空白样测试、零点漂移测试、量程漂移测试功能;且有独立的零点核查、跨度核查、标准样、水样通道。 |
方法原理 | 水杨酸分光光度法 | |
量程 | 0~10 mg/L,可调 | |
重复性 | ≤2% | |
零点漂移 | ≤0.02mg/L | |
量程漂移 | ≤1.0%F.S. | |
示值误差 | 20%量程标准溶液 | ≤±8.0% |
50%量程标准溶液 | ≤±5.0% | |
80%量程标准溶液 | ≤±3.0% | |
准确度 | ≤±3% | |
检出限 | ≤0.01mg/L | |
实际水样对比试验 | <2.0mg/L,绝对误差≤0.2mg/L;≥2.0mg/L,相对误差≤10% | |
电压影响 | ≤±3% | |
记忆效应 | ≤±0.3mg/L | |
电压影响 | ≤±5% | |
PH影响 | ≤±6% | |
绝缘阻抗 | >500MΩ | |
绝缘强度 | 1500V,50Hz/1min,无飞弧和击穿现象 | |
泄漏电流 | ≤1.5mA | |
最小单次测试时间 | <35min(示值误差±5%) | |
其他功能要求 | 1、仪器自身可实现自动水样测试、校准、标准样测试、标液核查、平行样核查、空白样测试、零点漂移测试、量程漂移测试功能;且有独立的零点核查、跨度核查、标准样、水样通道 2、光电计量采用内径1.6mm以下的PTFE或FEP材质计量管,表面光滑,残留量小 3、仪器有独立的检测模块,有利于检测的稳定性 4、仪器各样品润洗体积可设置,适应不同管路长度 | |
方法原理 | 钼酸铵分光光度法 |
量程 | 0~2mg/L,可调 |
重复性 | ≤2% |
零点漂移 | ≤±5%F.S. |
量程漂移 | ≤±5%F.S. |
示值误差 | ≤±3% |
准确度 | ≤±3% |
检出限 | ≤0.01mg/L |
直线性 | ≤±5%F.S. |
分辨率 | 0.001mg/L |
精密度 | ≤3% |
实际水样对比试验 | ≤10% |
电压稳定性 | ≤±3%F.S. |
绝缘阻抗 | 500MΩ以上 |
绝缘强度 | 1500V,50Hz/1min,无飞弧和击穿现象 |
泄漏电流 | ≤5mA |
最小单次测试时间 | <60min(50%量程校正液,示值误差不超过±5%) |
其他功能要求 | 1、仪器自身可实现自动水样测试、校准、标准样测试、标液核查、平行样核查、空白样测试、零点漂移测试、量程漂移测试功能;且有独立的零点核查、跨度核查、标准样、水样通道。 2、光电计量采用内径1.6mm以下的PTFE或FEP材质计量管,表面光滑,残留量小。 3、仪器具备满足国标法的浊度色度补偿功能。 4、仪器有独立的检测模块,有利于检测的稳定性。 |
方法原理 | 过硫酸钾氧化分光光度法 |
量程 | 0~20mg/L,可调 |
重复性 | ≤5% |
零点漂移 | ≤±5%F.S. |
量程漂移 | ≤±5%F.S. |
示值误差 | ≤±10% |
准确度 | ≤±10% |
检出限 | ≤0.1mg/L |
直线性 | ≤±5%F.S. |
分辨率 | 0.001mg/L |
精密度 | ≤5% |
实际水样对比试验 | ≤10% |
电压稳定性 | ≤±5%F.S. |
绝缘阻抗 | 500MΩ以上 |
绝缘强度 | 1500V,50Hz/1min,无飞弧和击穿现象 |
泄漏电流 | ≤5mA |
最小单次测试时间 | <50min(50%量程校正液,示值误差不超过±5%) |
其他功能要求 | 1、仪器采用紫外分光光度法,依照国标,测量220nm和275nm吸光度进行数值计算。 2、光电计量采用内径1.6mm以下的PTFE或FEP材质计量管,表面光滑,残留量小。 3、仪器具浊度色度补偿功能。 4、仪器具备单步调试功能。 5、仪器具有故障和缺试剂自动提示与缺试剂自动复位功能。 |
方法原理 | 发光细菌法 |
量程 | -100%~100%,0~200% |
重复性 | ≤5% |
负控 | ≤±3% |
正控 | 40%~80% |
分辨率 | ≤1% |
实际水样对比试验 | ≤10% |
测定周期 | 15min |
维护周期 | ≥336h |
MTBF | ≥1440h |
类型 | PMT(光电倍增管)双路对照检测 |
绝缘阻抗 | ≥500Mohm |
泄漏电流 | ≤5mA |
其他功能要求 | 具有废液分离功能,可将质控废液和参比水样废液进行分离 |
(1) 采集水样的存储温度:4±2℃;
(2) 分配悬臂控制精度:±2度;
(3) 单次采样量:(10~500)mL;
(4) 采样间隔:1~9999秒可设(采样顺延进行);
(5) 采样精度:±10mL或者10%取其大者;
(6) 瓶数:24瓶;
(7) 采样方式:可任选(超标留样、整点采样、周期采样、流量累计采样、瞬时流量采样、外部触发采样等)。
(1)具有仪器及系统运行周期(连续或间歇)设置功能,至少具备常规、应急、质控等多种运行模式;
(2)具有异常信息记录、上传功能,如采水故障、部件故障、超量程报警、超标报警、缺试剂报警等信息;
(3)具有仪器关键参数上传、远程设置功能,能接收远程控制指令;
(4)确保仪器、系统运行的监测数据和状态信息等稳定传输;
(5)具备断电再度通电后自动排空水样和试剂、自动清洗管路、自动复位到待机状态的功能;
(6)具有分析仪器及系统过程日志记录和环境参数记录功能,并能够上传至中心平台;
(7)存储不少于1年的原始数据和运行日志;
(8)水质自动分析仪器(叶绿素除外)及控制单元须具有三级管理权限;
(9)系统应具有良好的扩展性和兼容性,根据实际应用需要,可增加新的监测参数,并方便仪器安装与接入。
此监测站站房为固定式站房,站房单元主要实现仪器的安装及存放。如下为站房布置平面示意图:
采水单元具有管道清洗、防堵塞、反冲洗等设施,并支持控制系统的自动诊断泵故障及自动切换泵工作功能,具备有效去除泥沙淤积的装置和伸缩装置,根据环境因素采取相应的保温、防冻、防压等措施。
功能要求:
(1)采用深井泵,双泵双管路设计,满足实时不间断监测要求;按照监测系统所分析水样要求,系统启动时同时启动双泵,水泵取表层水(水面下0.5米—1.0米)供叶绿素、高锰酸盐指数、总磷、总氮、总锰仪器分析,避免水泵故障导致系统停止运行的情况发生,并在控制系统中设置自动诊断泵故障及自动切换泵功能;
(2)根据各个采水点到站房的距离、地形等实际情况,选择潜水泵,保证站房的进口压力和流速流量达到整个系统全部仪器的要求。
(3)采水系统可设置连续或间歇方式工作,能够根据监测要求现场或远程设置监测频次;水压水量满足分析单元的需要,并留有设计余量,满足将来增加分析项目的可能。
(4)采样头在水面下0.5—1.0m浮动,与水体底部有足够的距离(枯水期>1m),以保证采样不受水体底部泥沙的影响。采样头配套过滤/防堵塞装置,以避免泥沙淤积、杂物和垃圾的影响。根据各点位情况,采水设置伸缩装置,使其能够适应现场涨落潮水位变化大的情况。
(5)取水管道设有压力、流量监控装置,控制系统可以通过该装置实时监控采水单元的运行状态并控制泵的工作状态,自动判断取水系统故障,并发出报警信号。
(6)采水单元设置清洗反吹和防藻功能,同时防止使用化学清洗时对环境造成污染;管道采用排空设计,使得管道内不存积水,以防藻类孳生。
(7)采水单元能够在停电时自我保护,再次通电时自动恢复。
(8)采水单元管路采用内外抛光的不锈钢管路或化学性质稳定、耐压、耐腐蚀的四氟金属软管,避免对采水水样产生污染。
(9)采水流路设计合理,采取可拆卸式,安装前采水管路清洗干净,采用法兰、管卡或活接连接方式,便于拆卸清洗。现场活动接头备件充足,不影响现场安装、调试、运维过程。
(10)采水单元具备较长平均无故障工作时间,确保水质自动监测系统的数据捕获率达到相关要求;
(11)采水单元设计必要的保温、防冻、防压、防淤、防撞、防盗措施,并对采水设备和设施进行必要的固定;
(12)采水泵的总水量可以满足所有仪器的用水要求,设有余量,考虑将来增加分析仪器的可能。
点位选择:
(1)采水点位一般选择在水质分布均匀,流速稳定的平直断面;
(2)采水点水质与该断面平均水质的误差不得大于10%,在不影响航道运行的前提下采水点尽量靠近主航道;
(3)取水口位置一般应设在河流凸岸(冲刷岸),不能设在河流(湖库)的漫滩处,避开湍流和容易造成淤积的部位,丰、枯水期 离河岸的距离不得小于10m;
(4)取水口不能设在死水区、缓流区、回流区;
(5)取水点与站房的距离一般不应超出300m,确因客观条件无法达到的,可根据实际情况进行调整,尽量缩短采水管路的距离,减 少因采水管路过长对结果的影响;
(6)枯水季节采水点一般水深不小于1m,采水点最大流速一般低于3m/s。
根据上述要求且满足本项目其他要求取水位置选择大坝取水口往中心30米处。具体取水点见后图标注处。
采水方式:
主要采用浮台式采水方式+潜水泵。
l 浮筒式采水方案
如下图:浮筒式采水一般由采水浮筒、潜水泵、钢丝绳等部件组成。平台整体采用模块结构,组装简易、快速,也可按照需求任意组合。浮台经过扩展也可变成浮桥式采水方式。
(1)采水浮筒:304不锈钢,密封性好,浮力大,平稳可靠;
(2)不锈钢过滤格栅:对水泵取水起到粗滤作用;
(3)固定点:通过钢丝绳实现浮筒与固定点之间的连接;
(4)锚:用于固定浮筒在监测断面的安装位置。
浮筒式采水示意图
采水泵:
采水泵为采水单元的动力心脏,它的主要功能是把样品水从水源地中输送到站房中以供分析。通常采用双泵采水系统,交替使用。
本项目采水泵选用深井泵,采水泵的选择满足水质监测系统运行所需水量和水压的要求,根据现场采水距离、水位落差配置相应功率的采水泵。双泵、双管路设计,按照监测系统所分析水样要求,系统启动时同时启动双泵,水泵取表层水(水面下0.5米—1.0米)供五参数、高锰酸盐指数、氨氮、总磷、总氮仪器分析。
选用的采水管道材质有足够的强度,可以承受内压和外载荷,具有极好的化学稳定性,重量轻,耐磨耗和耐油性强等特点,适用于管路铺设,同时避免污染所采水样,通常采用的管道为磐石胶管和弹簧胶管两种类型。根据相关管道设计规范进行管道材质和管径的选择,确保管内流速和管道压力损失在合理范围之内。
输水管材的选择考虑了以下几个方面:
管径:除考虑与泵的连接尺寸,还考虑到在一定流量下的流速,适合的流速对管路具有冲刷作用,防止泥砂等杂质在管壁上的沉积,另外,也考虑到系统水样的响应时间。综合考虑各种因素,选用合适的管径。
材质:采水管路具有较强的机械性能,抗压,耐磨,防裂等,还具有较好的化学稳定性,耐腐蚀。
由于自动站多处于野外环境,操作条件受到一定限制,因此便于安装、维护是管材选择所考虑的因素。
采用的磐石胶管和钢簧胶管如下图所示:


磐石胶管钢簧胶管PVC管
该管路化学性质稳定,耐压、耐腐蚀、抗老化性能优秀,不会对测试结果产生影响;
在该胶管外部使用聚乙烯保温管进行保温,再外套PVC管即可铺设,减少了环境温度对水样温度的影响,能够有效减小对水温的影响;
这种管材已在建设的水站中应用效果良好。
v 管路铺设
为保证水管、线管等管路施工操作方便,开挖宽度不小于0.5米,深度一般不小于0.5米,管路预埋在开挖渠内靠站房并高于河涌一侧,且中间渠内无U字型地平。
采水管、线预埋件从站房布设至采水点岸边,采用两组镀锌钢管(管径DN100,厚度3.5毫米及以上)作为保护套管,对部分深度不满足要求的,管路两头终端进出接头处采用防冻材料保护,同时管道上层做好防误挖保护(如砖块、预制块)。
管路铺设后保证水路通畅无泄漏,电路接头安全可靠并做防水处理,采用细土缓慢回填至管路上方并轻度夯实;回填后对管路施工铺设处做好施工警示,防止其他施工误挖,保证管路使用安全。
陆上管路铺设
胶管铺设
胶管铺设分为两种形式:外装保护套管形式和支撑物绑缚形式。埋地铺设时一般采用外装保护套管形式;管线施工做到保温、防冻、防盗、没有死弯,并且有一定的坡向。采用的外装保护套管的材质是PVC,或者是钢管(考虑到防腐),管径不小于150mm,考虑胶管穿入作业的便利性,尤其是在弯管处,采用45度弯头或大半径弯头。
地埋铺设
地埋铺设时采用外装保护套管形式;地埋铺设时会考虑保护深度,保护深度一般在浮土之下300mm;若有承重,则保护深度为700mm;还考虑了冰冻深度,所以埋在冻土层以下,一般在当地冻土层下400mm。为防止套管内部积水,套管铺设时保持一定的坡向,必要时留有检查维护用井。
陆上采水管线地埋示意图
明管铺设
明铺保护套管时至少在5m间距设置管墩或管架。明铺套管考虑到安全因素时,采用钢制套管。钢制套管都做了防腐处理,保护套管设置为法兰连接。明铺保护套管采用明沟或水泥砌筑。并做保温处理。
支撑物绑缚形式
在地上铺设时,将采用钢管、角钢等作为支撑物,胶管经过保温处理后,与水泵电缆、水位计电缆一同绑缚在钢管等支撑物上,再用岩棉等材质的保温壳管裹敷,外缠玻璃布并刷防水保护漆。保温处理会因地制宜,做到防冻及防晒,避免胶管冻裂及老化,会根据当地情况施工。
v 管线防护
(1)取水管路架空铺设
电源线等线路和室外管路经管箍装置固定后,用聚乙烯保温材料包住后包裹一层耐氧化防护油皮,同时为减轻管路和电缆负重,油皮外用强化油缆栓挂牵扯固定,取水管路架空安装示意图如下图:
取水管理架空铺设
(2)取水管路深埋铺设
电源线等线路和室外管路等经管箍等装置固定后,用聚乙烯保温材料包住后,置于一粗为1000px的防护套管中,取水管路埋设安装示意图如下:
取水管理深埋铺设
站房到采水中间部分管路护套管上加0.8m覆土。如经过路面则需钢管套护。在部分水体杂物较多的场所,水中预留管线加配重沉入水下,防止挂住过多水草,增加维护工作量。
经验表明安装管路时,适当增加管路长度,维持增加量在10m以内,以备水位骤降可以及时调整取水点安装位置。
供电电缆选型
(1)选择原则:电缆的性能,使用条件,满足设备供电的要求。
(2)应用说明:所有采水单元的电气设备运行电压均为:交流220V,单相,交流频率50Hz。
(3)技术参数
名称 | 描述 |
电线类型 | 聚氯乙烯外套防护电缆 |
芯数 | 3芯 |
单根线径 | 1.5mm2 |
v 安全措施
在航道上建设采水构筑物应能长期稳定安全运行,可通过在采水构筑物周围设置红色浮球防护圈,并设置航标灯以实现安全保护功能。浮球及取水部件既要减少影响航运,又能保护自身安全,特别是采水单元,应设置防撞和防盗措施,具体可在浮球顶端设置标准航标灯,并安装视频监控装置,实时监视取水口状态。

采水单元建设计划:
整体要求
①要求保证取水水管的进水孔位于水表面以下0.5m~1m的位置,并与河底保持一定距离,保证采集到具有代表性的符合检测需要的水样,又要保证取样吸头的连续正常使用。保证在汛期和枯水期能正常工作而不被损坏:设有必要的保温、防冻、防腐、防压、防淤、防撞和防盗措施,并对采水设备和设施进行必要的固定。
②采水单元要方便采样泵的提升与安装,以便进行人工的日常清洗和维护。
v 采水泵
①选择潜水泵或自吸泵,原则上优先考虑潜水泵,保证站房的进口压力和流速流量达到整个系统全部仪器的要求。
②采用双泵/双管路采水,一采一备,满足实时不间断监测的要求;并且当一路出现故障时,能够自动切换到另一路进行工作,保证整个系统的正常运行。
③采水泵具有停电后来电再启动的自动恢复功能。
v 采水管路
①双管路采水,采水管路均要安装保温套管进行绝热处理,并在外部套用PVC管材,减少环境温度等因素对水样造成的影响,保证对测定项目(除水温)监测结果的影响必须小于5%(水温的影响必须小于20%)。
②必要的防冻措施,保证冬季低温时采样管路不被冻裂。
③采水管采用磐石胶管、UPVC管等材质稳定的材料,避免对水样产生污染。
④管道采用排空设计,使管道内不存水,以防藻类滋生。
⑤采水主管路采用串联结构,各仪器并联到管路中。各仪器的压力、流量均可单独调节并分别配备压力表。在站房进水处,要实时显示进口压力。能通过流量或压力显示采水状态并能报警。
采水管路采用可拆洗式,具备反冲洗功能。管路采用可拆卸式以防止采样管堵塞并便于泥沙沉积后的清洗:采水管道上设反冲洗旁路排放口,可以由控制系统来控制进行自动反冲洗或由清洗泵使用化学试剂清洗液对采样管道全程进行自动反冲洗,且通过气动阀的切换完成高压振荡空气进样管路冲洗,清洗过程中不对环境造成污染,并且设计有专门的双层防藻结构,防止成块藻类进入管路和附着在采水头上,管路清洗配置在线除泥沙装置和除藻清洗装置,系统用化学试剂清洗管道后应使用大量清水对管道进行漂洗,采水时管道中没有残存药液,不得影响项目的监测,以保证测量的准确性,比色法仪器进口水质浊度控制在20NTU以下。
采水口加设防止进水口淤积和漂浮物堵塞、防止仪器设备和采水仪器受到撞击而损坏或影响系统运行及防盗的防护装置。
v 工作方式
①采水系统可采用连续或间歇方式工作,并能够根据监测要求现场或远程设置监测频次。
②保证停电后重新上电时,采水单元、控制单元、监控软件能自动恢复工作,达到无人值守的目的。
其他
①采水单元中的所有部件均要选用可靠材料,保证采水单元工作的可靠性和使用寿命。
②采水单元的总水量可以满足所有仪器的用水要求。
③配备水样比对实验用的手动取水口。
配水及预处理单元由水样分配单元、预处理装置及管道等组成。实现对分析仪器配水的功能,并具有自动反清(吹)洗和自动除藻功能。预处理单元为不同分析仪器配备预处理装置,叶绿素水质自动分析仪器使用原水直接分析,应根据国家标准分析方法要求对高锰酸盐指数、氨氮、总氮、总磷分析仪器提供相应的预处理方法。
配水:
(1)配水管路设计合理,流向清晰,便于维护;保证仪器分析测试的水样应能代表断面水质情况并满足仪器测试需求;
(2)配水单元具备自动反清(吹)洗功能,防止菌类和藻类等微生物对样品污染或对系统工作造成不良影响,设计中不使用对环境产生污染的清洗方法;
(3)配水主管路采用串联方式,各仪器之间管路采用并联方式,每台仪器从各自的取样杯中取水,任何仪器的配水管路出现故障不能影响其他仪器的测试;
(4)具备可扩展功能,水站预留不少于4台设备的接水口、排水口以及水样比对实验用的手动取水口;
(5)能配合系统实现水样自动分配、自动预处理、故障自动报警、关键部件工作状态的显示和反控等功能;
(6)配水单元的所有操作均可通过控制单元实现,并接受平台端的远程控制;
(7)所选管材机械强度及化学稳定性好、使用寿命长、便于安装维护,不会对水样水质造成影响;管路内径、压力、流量、流速满足仪器分析需要,并留有余量;
(8)针对泥沙较大水体、暴雨期间、泄洪、丰水期等浊度影响较大的情况,系统应针对性地设计预处理旁路系统,并具备自动切换预处理系统工作功能。
预处理:
配水单元尽可能满足标准分析方法中对样品的预处理要求,并保证每次分析样品代表性。根据不同的仪器采取针对性的预处理措施。处理后的水质不仅要消除杂物对监测仪器的影响,又不能失去水样的代表性。
系统集成的自清洗测量装置主要用于安装叶绿素探头,并完成叶绿素测量。池体采用不锈钢材质,性质稳定,对待测水样无影响,并具备自清洗功能。同时,具备可扩展性强特点,预留有除叶绿素的接口,可支持6根电极接入集成系统。
原水样需经过清洗沉沙池,先进行一定时间的沉淀后,然后将沉淀过的水样流入一级膜式过滤器进行粗级过滤,粗级过滤后的水样,通过隔膜泵直接供给到对应的样水杯以供仪器测量使用。

一级自清洗沉沙装置结构图
圆柱形沉沙池内置有活塞式自清洗浮筒,利用水的浮力带动清洗刮片对沉沙池内壁进行清洗。每次随水位的上升或下降浮筒下部的硅橡胶片都会对内壁进行擦洗,保证沉沙池内壁长期保持清洁,不会有水垢或微生物生成,使系统能够长期稳定运行,不需要频繁的人工维护和清洗,也不需要大量使用除藻剂。这样的沉沙池具备可对其内部表面进行全方位无死角的刮片式自动清洗功能。
在沉沙池静置沉沙完成后,隔膜泵抽取沉沙池上清液进入精密过滤装置经过沉淀后的上清液,通过一级粗级膜式过滤(粗过滤)供给高锰酸盐、总氮等分析仪测量,经一级过滤后的另一路水样再经二级精密过滤供给总磷、总锰测量。
旁路设计:
针对泥沙较大水体、暴雨期间、泄洪、丰水期等浊度影响较大的情况,通过旁路加装逆水流沉砂装置和重力沉降装置,和自清洗沉砂池串联形成三级沉降装置来针对性处理不同大小、质量的颗粒物、泥沙,从而保证水质的有效性。
清洗及反冲洗:
根据系统受污染情况,系统在现场或远程设定清洗工作方式,系统既支持手动启动清洗单元工作,也可根据现场水质状况,设定清洗间隔。压缩空气单元为管路的反吹清洗、过滤器清洗提供高压气源。
除藻装置:
为避免藻类在管道内滋生而堵塞管道,系统能通过除藻系统定期或者不定期对取水管路进行除藻工作。
系统配水管路示意图
配水单元实物图
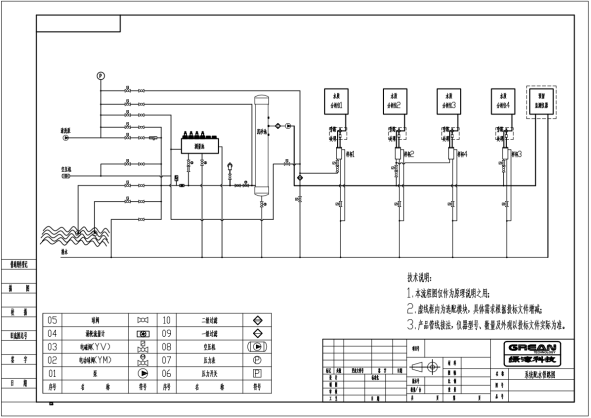
控制单元对采水单元、配水及预处理单元、分析单元、留样单元、辅助单元等进行控制,并实现数据采集与传输功能,保证系统连续、可靠和安全运行。
功能要求:
(1)具有断电保护功能,能够在断电时保存系统参数和历史数据,在来电时自动恢复系统;
(2)具备自动采集数据功能,包括自动采集水质自动分析仪器数据、集成控制数据等,采集的数据应自动添加数据标识,异常监测数据能自动识别,并主动上传至中心平台;
(3)具备单点控制功能,能够对单一控制点(阀、泵等)进行调试;
(4)具备对自动分析仪器的启停、校时、校准等控制功能;
(5)具备对留样单元的留样控制功能;
(6)能够兼容视频监控设备并能实现对视频设备进行校时、重新启动、参数设置、软件升级、远程维护等功能;
(7)具备参数设置功能,能够对小数位、单位、仪器测定上下限、报警(超标)上下限等参数进行设置;
(8)具备各仪器监测结果、状态参数、运行流程、报警信息等显示的功能;
(9)具有监测数据查询、导出、自动备份功能,可分类查询水质周期数据及其对应的仪器、系统日志流程信息。
硬件设备参数:
(1)工业控制计算机
序号 | 指标名称 | 性能指标 |
1 | CPU | ≥2.0GHz |
2 | 内存 | ≥2GB |
3 | 硬盘容量 | ≥500GB |
4 | 显示器 | ≥12英寸 |
5 | 通讯接口 | RS232/485 COM口,不小于8个 |
网口,不少于2个 |
(2)可编程控制器
序号 | 指标名称 | 性能指标 |
1 | 扩展能力 | 控制器输入输出接口满足需求且余量不少于4路,以便以后扩展。 |
2 | 防雷抗干扰能力 | 符合抗电磁辐射、电磁感应的相关规定,具备电源隔离和信号隔离措施。 |
本方案设计中,采用杭州浩腾智能公司出品的一体化工业触摸平板工控机FT153系列,在产品标配的基础上,定制扩展串口数量至10个串口,配备一个500GB的机械硬盘。该型号的工控机采用无源底板,铝合金磨砂外壳,具有工作稳定,安全性高等特点,在水质监测、大气污染、空气质量等环境监测领域应用广泛。
数据采集与存储:
(1)采集自动分析仪器的监测数据,并分类保存;
(2)采集自动分析仪器和集成系统各单元的工作状态量,并以运行日志的形式记录保存;
(3)能够实时采集视频信息并传输至中心平台;
(4)断电后能自动保存历史数据和参数设置。
数据采集与通讯:
(1) 采用无线、有线的通讯方式满足数据传输要求;
(2) 采用4G无线数据传输方式;
(3) 具备对通信链路的自动诊断功能,具备超时补发功能。
辅助单元应包含UPS、稳压电源、防雷单元、废液单元、自动灭火装置等部分。
(1)配备UPS(总功率≥3kW,断电后至少能保证仪器完成一个测量周期和数据上传,且待机不少于1h)、稳压电源(功率≥10kW)、系统集成机柜、维护专用成套工具等;
(2)应保证分析仪器运行时所用的化学试剂处于4±2℃低温保存;
(3)配备废液收集单元,满足两周以上废液量的收集;
(4)配备站房门禁系统,并自动记录站房出入情况;
(5)为保证系统稳定、可靠运行,必须具有电源、信号等设施的三级防雷措施;
(6)具备自动灭火装置,采用悬挂式灭火器,灭火材料须对人体和设备无害。
Ø UPS
v 品牌、型号:华为、UPS2000-A系列
v 系统配备UPS,额定容量3KVA,断电后至少能够保证仪器完成一个测量周期和数据上传,且待机4h。
v 技术参数
稳压电源
v 品牌、型号:德力西、SJW-15KVA
稳压电源
冰箱
v 水站配置冰箱,保证分析仪器运行时所需的标准化学试剂处于 4 ±2℃低温保存。
废液收集单元
v 配备废液收集单元,满足两周废液量的收集。
v 配备废液自动处理单元或废液收集单元,满足两周以上废液量的收集,为防止仪器废液对环境造成二次污染,系统工艺应具有独立的废液收集系统,即通过专用的防腐蚀管路与仪器废液管路连接,配备专用的废液收集桶不少于2个,通过两路电磁阀控制开关,废液收集桶避光保存。
门禁系统
v 品牌、型号:兴宇智能、定制
配备站房门禁系统,并自动记录站房出入情况。
门禁系统
Ø 三级防雷设计
为保证系统稳定、可靠运行,根据《建筑防雷设计规范》(GB50057-2010)的规定,站房设计建设采用站房、电源、信号三级防雷措施,保护自动监测系统中的通讯系统、供电系统、视频系统、仪器设备。配备设备相应的电涌保护器,水质监测系统进线安装60A空开及电涌保护器,主线和设备线采用优质铜导线,10A空开。水站内集中了多种电气系统,设计采用电源防雷、监控防雷、网络信号防雷等多种途径预防雷电入侵。
v 电源防雷器(防浪涌)
品牌、型号:安迅、AM*-FS系列
主要功能:
电源防雷器主要应用于交流供配电系统的雷电浪涌过电压防护,安装于配电箱等设备内,防止用电设备因浪涌侵入而损坏。
主要特点:
①通流容量大,残压低,响应时间快;
②漏电流及变化率小;
③采用最新热脱离技术,彻底避免火灾;
④采用特殊冲击熔片,具有高可靠性;
⑤具有工作故障指示,可选配遥信报警功能;
⑥采用温控保护电路,内置热保护,短路故障自动脱离装置;
⑦采用标准模块化设计,安装简单,维护方便;
⑧核心元件采用国际知名品牌,性能优异,工作稳定可靠;
⑨可以实现凯文接线;结构严谨,安装方便,维护简单;
⑩工艺考究,能在酸、碱、尘、盐雾及潮湿等恶劣环境下长期工作。
v 监控防雷器(电源及网络信号防雷二合一)
品牌、型号:安迅、AJ2C-*系列
功能与原理:
AJ2C-*型二合一防雷器是由电源防雷器、网络信号防雷器两部分集成的浪涌保护器,用于保护对电磁干扰敏感的监控系统,使其免受雷电过电压和感应过电压、静电放电等所造成的损坏。常用于监控系统前端网络摄像机的防雷保护。
性能特点:
①采用电源+网络综合多级保护电路;
②核心部件选用国际名牌产品,性能优异;
③通流容量大,插损小、传输性能优越、无漏流;
④残压水平低,防护效果好;
⑤反应迅速、性能稳定、工作可靠;
⑥体积小,安装、使用方便、无须维护。
主要技术参数:
型号 | AJ2C-12 |
电源防雷器部分性能参数 | |
标称工作电压Un | 12V |
标称放电电流In(8/20µs) | 5kA |
最大放电电流Imax(8/20µs) | 10kA |
保护水平Up | ≤70V |
信号防雷器部分性能参数 | |
标称工作电压Un | 5V |
标称放电电流In(8/20µs) | 3kA |
最大放电电流Imax(8/20µs) | 5kA |
保护水平Up | ≤25V |
适应数据传输速率 | 100Mbps |
响应时间 | 1ns |
插入损耗 | ≤0.5dB |
其他参数 | |
外壳 | 铝型材外壳,表面拉线氧化(银色) |
外形尺寸(mm) | 102.2*57*25(含接头) |
导线接口 | 电源部分:2P压接式端口,最大接入线径4mm² |
网络信号部分:RJ45接口 | |
接地:地线接线端子或2.5平方地线 | |
安装方式 | 机箱、柜内安装 |
使用环境条件 | 温度-40~+85℃,相对湿度≤95%(25℃),高度≤3km |
v 网络信号防雷器(网络防雷)
品牌、型号:安迅、AS-RJ45-G
适用范围与原理:
①用于100/1000MbpsSWITCH、HUB、ROUTER等网络设备的雷击和雷电电磁脉冲造成的感应过电压保护;
②网络机房网络交换机防护;
③网络机房服务器防护;
④网络机房其他带网络接口设备防护;
⑤其他网络通信设备。
性能特点
①本产品不同于传统直通方案,SPD的IN和OUT端之间绝缘耐受能力为6000V;
②采用隔离方案,理论上无残余浪涌能量;
③插损小,响应速度快;
④疏堵结合设计原理,防护效果极好,不接地或地阻极高的情况下依然对受保护设备具有完整的防护能力;
⑤安装、使用方便,无须特别维护。
主要技术参数
型号 | AS-RJ45-G |
最大持续运行电压Uc | 6V |
冲击耐受能力/每线C2 | 5kV&2.5kA(1.2/50µs&8/20µs) |
5kV&2.5kA(1.2/50µs&8/20µs) | 冲击放电电流D1 |
冲击放电电流D1 | 1kA(10/350µs) |
总通流量 | 20kA |
保护水平Up(x-x) | 20V |
适应传输速率 | 1000Mbps |
插入损耗 | ≤0.5dB |
接口形式 | RJ45 |
保护线路 | 1~8 |
网线接入方式 | IN端接输入;Protected/Equip(OUT)端接被保护设备 |
外形尺寸(mm) | 90*18*65 |
安装方式 | 串联/导轨安装 |
工作环境 | 环境温度:-40℃ |
防护等级 | 〜+85℃;相对湿度:≤95%(25℃ |
Ø 温湿度传感器
v 品牌、型号:TH12S-RS485
v 站房配备温湿度传感器,实时监测室内温度及湿度数据,数据接入站控软件。
Ø 烟雾检测传感器
v 品牌、型号:安瑞信、RS8082
v 站房配备感烟探测器,探测火灾时产生的烟雾,及时发出报警,内置蜂鸣器,报警后发出强烈的声响,具备状态输出功能,接入站控软件。
站房配备悬挂式自动灭火器。自动灭火器在发生火灾时能够对站房设备进行自动灭火操作。所有设施放置合理、标识清晰,并参照国家相关规范实施。
站房配备悬挂式七氟丙烷灭火器,灭火材料对人体和设备无害。
悬挂式七氟丙烷气体灭火装置(感温型)由灭火剂储瓶、感温释放组件、悬挂支架、压力表等组成,不需安装灭火剂输送管道,不需设置的储瓶间,不用与火灾报警系统联动,采用悬挂或壁挂式安装,当火灾发生时,感温玻璃球破裂,感温释放组件开启,直接向防护区喷射灭火剂,灭火剂无管路损失,灭火速度更快、效率更高。

视频监控区域要能涵盖站房室内、站房入口、采水口附近区域水面。要求白天和夜晚监控的所有图像均需清晰可见,实现对站房周围、采水点等进行集中监控,异常情况的实时报警。基本功能要求如下:
(1)具有实时远程监控功能,须能够实现全方位、多视角、全天候式监控;
(2)当出现非法闯入时,报警系统能唤醒摄像机进行视频录制并获取监控区域内清晰地监控图像;
(3)视频监控前端存储,至少满足1个月的存储能力;
(4)视频监控设备要求:最低分辨率为1280×960,须输出实时图像;高效红外灯,照射距离不少于20米;具有手机远程监控功能;具有移动侦测、动态分析、越界侦测和区域入侵侦测报警功能。
① 实时监控功能:可实现24小时不间断监控,实时获取监控区域内清晰地监控图像。
② 云台操作功能:可实现全方位、多视角、无盲区、全天候式监控;
③ 录像存储功能:支持前端存储和中心存储两种模式,存储周期不低于30日。
④ 语音监听功能。
⑤ 远程维护功能:可通过平台软件对前端设备进行校时、重启、修正参数、软件升级、远程维护等操作。
⑥ 视频监控系统具备断电自启功能。
⑦ 具有视频分析功能(人员聚集、视频遮挡等),支持将智能分析结果传递至平台;智能分析算法可依据场景自定义选择;具有声音异常检测告警功能,支持检测周边声音有无、陡升、陡降并进行报警联动,灵敏度可设置。
① 站房外取水口:安装在靠近取水口岸边,安装高度应满足50年一遇的防洪要求,固定监控视角,用于监控取水口及站房周边情况;视频照射距离不小于50m。
② 站房周围环境:应安装网络红外球型摄像机,可监控站房周围环境,视频照射距离不小于200m。
③ 站房仪器室:安装于站房仪器室内,固定监控视角且范围可覆盖仪器室内部所有仪器设备,视频照射距离不小于30m。
前端视频监控设备主要参数
(1) 网络红外球型摄像机:球机带云台,可水平360度旋转,竖直-15~90度旋转;带红外,支持夜间查看;
(2) 高清网络录像机:支持不低于200万像素高清网络视频的预览、存储和回放;支持IPC集中管理,包括IPC参数配置、信息的导入/导出、语音对讲和升级等;支持智能搜索、回放及备份。
(3) 名称:200万像素4寸23倍红外补光网络高清智能球机(球机)
(4) 水站应用场景:一般布置于站房外取水口,用于监控取水口及站房周边情况
(5) 具备功能:
(6) 支持最大1920×1080@30fps高清画面输出
(7) 支持4G(移动、联通,电信)网络传输,兼容3G(移动、联通、电信)
(8) 支持4G流量使用查询,流量达到预警阈值后进行报警
(9) 支持H.265高效压缩算法,可较大节省存储空间
(10) 支持超低照度,0.005Lux/F1.6(彩色),0.001Lux/F1.6(黑白),0LuxwithIR
(11) 支持23倍光学变倍,16倍数字变倍
(12) 采用高效红外阵列,低功耗,照射距离最远可达100m
(13) 支持三码流技术,每路码流可独立配置分辨率及帧率
(14) 支持区域入侵侦测、越界侦测、移动侦测等智能侦测功能
(15) 支持断网续传功能保证录像不丢失,配合SmartNVR实现事件录像的二次智能检索、分析和浓缩播放
(16) 支持宽动态范围达120dB,适合逆光环境监控
(17) 支持3D数字降噪、强光抑制、电子防抖、SmartIR
(18) 支持360°水平旋转,垂直方向-15°-90°(自动翻转)
(19) 支持300个预置位,8条巡航扫描
(20) 支持3D定位,可通过鼠标框选目标以实现目标的快速定位与捕捉
(21) 支持定时抓图与事件抓图功能
(22) 支持区域曝光与区域聚焦功能
(23) 支持中心镜像功能
(24) 支持定时任务、一键守望、一键巡航功能
(25) 支持最大256G的MicroSD/MicroSDHC/MicroSDXC卡存储
(26) 支持海康SDK、ONVIF、ISAPI、GB/T28181、ISUP和萤石接入
(27) 防雷、防浪涌、防突波,IP66防护等级
技术参数:
类型 | 参数 | |
基础参数 | 图像传感器 | 1/2.8"ProgressiveScanCMOS |
最低照度 | 彩色:0.005Lux@(F1.6,AGCON) | |
黑白:0.001Lux@(F1.6,AGCON);0luxwithIR | ||
快门 | 1/1-1/30,000s | |
聚焦模式 | 手动:自动;半自动 | |
日夜转换模式 | 自动ICR彩转黑 | |
背光补偿 | 支持 | |
宽动态 | 120dB超宽动态 | |
强光抑制 | 支持 | |
3D降噪 | 支持 | |
透雾 | 支持 | |
电子防抖 | 支持 | |
区域曝光 | 支持 | |
区域聚焦 | 支持 | |
白平衡 | 钠灯;室外;室内;日光灯;自动跟踪白平衡;自动白平衡;手动白平衡 | |
数字变倍 | 16倍 | |
光学变倍 | 23倍 | |
隐私遮蔽 | 最多24块,支持多种颜色可选 | |
信噪比 | >52dB | |
镜头 | 焦距 | 4.8-110mn,23倍光学变倍 |
光学变倍速度 | 3.3s | |
视场角 | 57.6-2.7度(广角-望远) | |
最大光圈数 | F1.6 | |
补光 | 红外照射距离 | 100m |
防补光过曝 | 支持 | |
云台功能 | 水平范围 | 360° |
垂直范围 | -15°-90°(自动翻转) | |
水平速度 | 水平键控速度:0.1°-80°/s,速度可设;水平预置点速度:80°/s | |
垂直速度 | 垂直键控速度:0.1°-80°/s,速度可设;垂直预置点速度:80°/s | |
比例变倍 | 支持 | |
预置点个数 | 300个 | |
巡航扫描 | 8条 | |
花样扫描 | 4条 | |
断电记忆 | 支持 | |
守望功能 | 花样扫描预置点/花样扫描/巡航扫描/自动扫描/垂直扫描/随机扫描/帧扫描/全景扫描 | |
3D定位 | 支持 | |
方位角信息显示 | 支持 | |
预置点视频冻结 | 支持 | |
定时任务 | 预置点;花样扫描;巡航扫描;自动扫描;垂直扫描;随机扫描;帧扫描;全景扫描;球机重启;球机校验;辅助输出 | |
视频 | 最大图像尺寸 | 1920×1080 |
码流类型 | 主码流;子码流;第三码流 | |
主码流帧率分辨率 | 50Hz:25fps(1920×1080,1280×960,1280×720),50fps(1280×960,1280×720) 60Hz:30fps(1920×1080,1280×960,1280×720),60fps(1280×960,1280×720) | |
子码流帧率分辨率 | 50Hz:25fps(704×576,640×480,352×288) 60Hz:30fps(704×480,640×480,352×240) | |
第三码流帧率分辨率 | 50Hz:25fps(1920×1080,1280×960,1280×720,704×576,640×480,352×288) 60Hz:30fps(1920×1080,1280×960,1280×720,704×480,640×480,352×240) | |
视频压缩标准 | H.265;H.264;MJPEG | |
Smart264 | 支持 | |
Smart265 | 支持 | |
音频 | 音频压缩标准 | G.711alaw;G.711ulaw;G.722.1;G.726;MP2L2;PCM |
智能 | Smart事件 | 人脸侦测;区域入侵侦测;越界侦测;进入区域侦测;离开区域侦测;物品遗留侦测;物品拿取侦测;音频异常侦测、移动侦测、视频遮挡侦测 |
Smart录像 | 断网续传;智能后检索 | |
Smart编码 | Smart265;Smart264;SVC;低码率;ROI | |
网络 | 支持协议 | IPv4/IPv6;HTTP;HTTPS;802.1x;Qos;FTP;SMTP;UPnP;SNMP;DNS;DDNS;NTP;RTSP;RTCP;TCP/IP;RTP;DHCP;PPPoE;Bonjour |
接口协议 | 软件集成的开放式API;ISAPI;ONVIF;海康SDK;第三方管理平台接入;GB/T28181协议;支持萤石接入;ISUP | |
最大取流路数 | 20路 | |
用户管理 | 32个 | |
安全管理 | 授权的用户名和密码;以及MAC地址绑定;IP地址过滤;HTTPS加密;IEEE802.1x网络访问控制 | |
浏览器 | IE8-11,Chrome41+,Firefox30+,Safari11+ | |
移动通信参数 | 无线制式 | LTE-TDD/LTE-FDD/TD-SCDMA/WCDMA |
无线频段 | LTE-TDD四频Band38/39/40/41 LTE-FDD四频Band1/3/5/8 TD-SCDMA双频Band34/39 UMTS双频Band1/8 EVDO单频BC0 CDMA1x单频BC0 GSM三频Band3/5/8 | |
接口 | 网络接口 | RJ45网口,自适应10M/100M网络数据 |
SD卡接口 | 内置Micro SD卡插槽,支持MicroSD/SDHC/SDXC卡(最大支持256G) | |
一般规范 | 供电方式:DC12V 电路及功耗:22Wmax(其中红外灯7Wmax) 工作温度和湿度:-30℃-65℃,湿度小于90% | |
恢复出厂设置:支持 | ||
尺寸:Φ164.5×290mm | ||
重量:2Kg | ||
认证 | 防护:IP66,4000V防雷、防浪涌、防突波,符合GB/T17626.5四级标准 | |
名称:200万1/2.7"CMOS红外阵列筒型网络摄像机(枪机)
水站应用场景:一般布置于站房进门处,用以监控人员进出站房情况,固定监控视角
技术参数:
型号 | 型号 | DS-2CD3T25(D)-I3/I5/I8 |
名称 | 200万1/2.7"CMOSICR红外阵列筒型网络摄像机 | |
摄像机 | 最大图像尺寸 | 1920×1080 |
帧率 | 50Hz:25fps(1920×1080;1280×960;1280×720) | |
镜头接口尺寸 | M12 | |
镜头 | 4mm,水平视场角80°;(6mm;8mm;12mm;16mm可选) | |
传感器类型 | 1/2.7"ProgressiveScanCMOS | |
快门 | 1/3秒至1/100,000秒 | |
日夜转换模式 | ICR红外滤片式 | |
宽动态范围 | 120dB | |
背光补偿 | 支持,可选择区域 | |
数字降噪 | 3D数字降噪 | |
图像设置 | 走廊模式,亮度,对比度,饱和度等通过客户端或者IE浏览器可调 | |
压缩标准 | 视频压缩标准 | H.265/H.264/MJPEG |
H.265编码类型 | MainProfile | |
视频压缩码率 | 32Kbps~8Mbps | |
接口及功能 | 支持协议 | TCP/IP,ICMP,HTTP,HTTPS,FTP,DHCP,DNS,DDNS,RTP,RTSP,RTCP,NTP,UPnP,SMTP,IGMP,802.1X,QoS,IPv6,Bonjour |
接口协议 | ONVIF(PROFILES,PROFILEG),CGI,ISAPI | |
通用功能 | 防闪烁,双码流,旋转,心跳,镜像,密码保护,视频遮盖,水印技术,IP地址过滤 | |
智能报警 | 越界侦测;区域入侵侦测;移动侦测;动态分析;遮挡报警;网线断;IP地址冲突;非法访问 | |
通讯接口 | 1个RJ45 10M/100M自适应以太网口 | |
其他 | 防护等级 | IP67 |
红外照射距离 | I3:30米;I5:50米;I8:80米 | |
工作温度和湿度 | -30℃~60℃,湿度小于95%(无凝结) | |
电源电压DC12V/POE(802.3af) | ||
名称:网络硬盘录像机
水站应用场景:一般应用于站房内视频监控记录(POE网线供电)
技术参数-1:
视频参数 | 压缩标准 | H.265 |
视频分辨率 | 1980×1080p | |
录像管理 | 录像方式 | 手动录像,定时录像,事件录像,移动侦测录像,报警录像,动测或报警录像,动测且报警录像 |
录像回放 | 即时回放,常规回放,事件回放,标签回放,外部文件回放,日志回放 | |
备份方式 | 常规备份,事件备份,录像剪辑备份 | |
I/O接口 | 视频输入 | 4路 |
视频输出 | HDMI,VGA | |
音频输入 | 1路,RCA接口(电平2.0Vp-p,阻抗:1kΩ) | |
音频输出 | 1路,RCA接口(线性电平,阻抗:1kΩ) | |
其他接口 | 硬盘:1个STAT接口,每个接口支持容量6TB的硬盘 1个RJ4510M/100M自适应以太网口 2个USB2.0 | |
其他参数 | 网络协议 | UPnP,NTP,SADP,PPPoE,DHCP |
电力规格 | 电源电压 | DC48V |
电源功率 | ≤10W(未启用PoE) | |
外观参数 | 外形尺寸 | 315mm(宽)×240mm(深)×48mm(高)mm |
产品重量 | 不含硬盘≤1kg | |
环境参数 | 环境温度 | -10至+55℃ |
环境湿度 | 10%至90% |
技术参数-2:
硬盘驱动器 | 类型 | 2个SATA接口 |
外部接口 | 语音对讲输入 | 1个,RCA接口(电平:2.0Vp-p,阻抗:1kΩ) |
网络接口 | 1个,RJ4510M/100M/1000M自适应以太网口 | |
串行接口 | 1个,标准RS-485串行接口 | |
USB接口 | 2个,1个USB3.0、1个USB2.0 | |
报警输入 | 4路 | |
报警输出 | 1路 | |
其他 | 电源 | DC12V |
功耗(不含硬盘) | ≤15W | |
工作温度 | -10℃~+55℃ | |
工作湿度 | 10%--90% | |
尺寸 | 385mm(宽)×315mm(深)×52mm(高) | |
重量 | ≤1Kg | |
视音频输入 | 网络视频输入 | 8路 |
网络视频输入带宽 | 80Mbps | |
网络视频接入协议 | HIKVISION、ACTi、ARECONT、AXIS、BOSCH、BRICKCOM、CANON、HUNT、ONVIF(版本支持2.5)、PANASONIC、PELCO、PSIA、RTSP、SAMSUNG、SANYO、SONY、VIVOTEK、ZAVIO | |
视音频输出 | HDMI | 1路,分辨率:1024x768/60Hz,1280x720/60Hz,1280x1024/60Hz,1600×1200/60Hz,1920x1080/60Hz,2K(2560x1440)/60Hz,4K(3840x2160)/30Hz |
VGA输出 | 1路,分辨率:1024x768/60Hz,1280x720/60Hz,1280x1024/60Hz,1600×1200/60Hz,1920x1080/60Hz | |
音频输出 | 1路,RCA接口(线性电平,阻抗:1KΩ) | |
预览分割 | 1/4/6/8/9画面 | |
录像管理 | 录像/抓图模式 | 手动录像、定时录像、事件录像、移动侦测录像、报警录像、动测或报警录像、动测和报警录像 |
备份模式录像剪辑备份 | 常规备份、事件备份、录像剪辑备份 | |
网络管理 | 网络协议 | UPnP(即插即用)、SNMP(简单网络管理)、NTP(网络校时)、SADP(自动搜索IP地址)、SMTP(邮件服务)、NFS(接入NAS)、iSCSI(IPSAN应用)、PPPoE(拨号上网)、DHCP(自动获取IP地址) |
序号 | 仪器名称 | 做样时间 | 备注 |
1 | 常规五参数 | 120s以内 | |
2 | 高锰酸盐指数 | 60min以内 | 消解时间可调 |
3 | 氨氮 | 最小35min | |
4 | 总磷 | 60min以内 | 消解时间可调 |
5 | 总氮 | 50min以内 | |
6 | 毒性仪 | 最小15min | 可选15、20、25、30min |
建设预算
序号 | 仪器名称 | 数量 | 单位 | 单价 (万元) | 总价 (万元) | 备注 |
1 | 常规五参数分析仪 | 1 | 套 | |||
2 | 在线高锰酸盐指数分析仪 | 1 | 套 | |||
3 | 在线氨氮分析仪 | 1 | 套 | |||
4 | 在线总磷分析仪 | 1 | 套 | |||
5 | 在线总氮分析仪 | 1 | 套 | |||
6 | 水质自动采样仪 | 1 | 套 | |||
7 | 在线综合毒性仪 | 1 | 套 | |||
7 | 采水系统 | 1 | 套 | 外部 | ||
8 | 水质自动监测系统 | 1 | 套 | |||
合计 | ||||||
附件:试剂耗材价格清单
序号 | 试剂名称 | 规格型号 | 单位 | 数量 | 单价 | 更换频率 |
1 | pH缓冲剂 | PHSJ-GY-1901; pH=4.00、6.86、9.18,各500mL | 瓶 | 1 | 每年1-2瓶 | |
2 | 电导率标液 | DDLSJ-GY-1901;147uS/cm,1413uS/cm,0.03mol/L各500mL | 瓶 | 1 | 每年1-2瓶 | |
3 | 溶解氧标液 | RJY-GY-190,500mL*1 | 瓶 | 1 | 每年1-2瓶 | |
4 | 浊度标液 | ZDSJB-05-1901,50NTU,100NTU,500NTU,浊度试剂4000NTU各500ml/瓶 | 瓶 | 1 | 每年1-2瓶 | |
5 | 高锰酸盐指数 | GMSYSJ-2110-20001 | 套 | 1 | 每天6组一个月 | |
6 | 氨氮 | ADSJA-3411-1901;含试剂及标液 | 套 | 1 | 每天6组一个月 | |
7 | 总磷 | ZLSJ-3100-20001 | 套 | 1 | 每天6组一个月 | |
8 | 总氮 | ZDSJD-2140-1901 | 套 | 1 | 每天6组一个月 | |
9 | 毒性仪 | RBO-02 | 套 | 1 | 每周一套 |
2.1五参数:
序号 | 仪器耗材名称 | 单位 | 数量 | 单价 | 更换周期 |
1 | pH电极 | 根 | 1 | 建议1年(可视水质情况而定) | |
2 | 电导率电极 | 根 | 1 | 建议2年(可视水质情况而定) | |
3 | 溶解氧荧光帽 | 个 | 1 | 建议2年(可视水质情况而定) | |
4 | 溶解氧电极 | 根 | 1 | 建议2年(可视水质情况而定) | |
5 | 浊度电极 | 根 | 1 | 建议2~3年 | |
6 | 浊度玻璃片 | 个 | 1 | 建议1年(可视水质情况而定) |
2.2高锰酸盐指数:
序号 | 耗材名称 | 单位 | 数量 | 单价 | 更换周期 |
1 | 蠕动泵泵头 | 个 | 1 | 建议每年1次 | |
2 | ORP电极 | 根 | 1 | 视情况而定 | |
3 | 两通阀模块 | 套 | 1 | 每3年更换一次 | |
4 | 管件包 | 包 | 1 | 包含1年所有管件 |
管件包详细:
序号 | 耗材名称 | 规格 | 单位 | 数量 | 更换周期 |
1 | PTFE管 | 008T20-100-20;1*2mm;乳白色;勒琪;20米/包 | 米 | 26 | 1次/半年 |
2 | PTFE管 | FH-T33216-20 高透明PTFE,内径1.6mm,外径3.2mm,20米/卷 | 米 | 10 | 1次/半年 |
3 | 软管 | FLX66E(1-2),内径1/16 外径1/8 ; | 米 | 2 | 1次/半年 |
4 | 软管 | FLX66E,内径3/32 外径5/32 ;本色;北昂流体 15米/卷 | 米 | 6 | 1次/半年 |
5 | 软管 | FLX66E,内径1/8 外径1/4 ;本色;北昂流体 15米/卷 | 米 | 0.6 | 1次/半年 |
6 | 异径直通 | 1/16"-1/8"ID;PP;本色 | 个 | 1 | 1次/年 |
7 | T型三通接头 | 1/16"ID;PP;本色;T型 | 个 | 1 | 1次/年 |
8 | 锥形垫圈 | CZ-20-E;白色;勒琪;10个/包 | 个 | 13 | 1次/年 |
9 | 锥形接头 | CJ-NC16-ETFE;白色;勒琪;10个/包 | 个 | 13 | 1次/年 |
10 | 接头 | CJ-NC32-ETFE | 个 | 3 | 1次/年 |
11 | 垫圈 | CZ-32-E-O | 个 | 3 | 1次/年 |
12 | 螺纹转倒勾接头 | 1/16"ID*1/4-28UNF;PP;本色;螺纹9mm(PM1428-1PP) | 个 | 2 | 1次/年 |
13 | 内螺纹软硬管对接头 | NI06-16-28P;材质无;颜色无 | 个 | 2 | 1次/年 |
14 | 硅胶管 | 内径2mm外径4mm;硅胶;白色 | 米 | 0.05 | 1次/年 |
15 | 硅胶管 | 内径2mm外径4mm;硅胶;灰色 | 米 | 0.05 | 1次/年 |
16 | 硅胶管 | 内径2mm外径4mm;硅胶;黑色 | 米 | 0.05 | 1次/年 |
17 | 硅胶管 | 内径2mm外径4mm;硅胶;粉色 | 米 | 0.05 | 1次/年 |
18 | 硅胶管 | 内径2mm外径4mm;硅胶;红色 | 米 | 0.1 | 1次/年 |
19 | 硅胶管 | 内径2mm外径4mm;硅胶;黄色 | 米 | 0.05 | 1次/年 |
20 | 硅胶管 | 内径2mm外径4mm;硅胶;绿色 | 米 | 0.05 | 1次/年 |
21 | 硅胶管 | 内径2mm外径4mm;硅胶;天蓝色 | 米 | 0.05 | 1次/年 |
22 | 硅胶管 | 内径2mm外径4mm;硅胶;蓝色 | 米 | 0.05 | 1次/年 |
23 | 硅胶管 | 内径2mm外径4mm;硅胶;紫色 | 米 | 0.05 | 1次/年 |
24 | 硅胶管 | 内径2mm外径4mm;硅胶;橙色 | 米 | 0.05 | 1次/年 |
25 | 硅胶管 | 内径2mm外径4mm;硅胶;透明 | 米 | 0.1 | 1次/年 |
2.3氨氮:
序号 | 耗材名称 | 单位 | 数量 | 单价 | 更换周期 |
1 | 蠕动泵泵头 | 个 | 1 | 两年1次 | |
2 | 管件包 | 包 | 1 | 包含1年所有管件 |
管件包详细:
序号 | 耗材名称 | 规格 | 单位 | 数量 | 更换周期 |
1 | 软管 | FLX66E(1-2),内径1/16 外径1/8 ; | 米 | 6 | 1次/半年 |
2 | 软管 | FLX66E,内径1/8 外径1/4 ;本色; | 米 | 1 | 1次/半年 |
3 | PTFE管 | 高透明PTFE,内径1.6mm,外径3.2mm,20米/卷 | 米 | 1 | 1次/半年 |
4 | PTFE管 | 008T20-100-20;1*2mm;乳白色; | 米 | 26 | 1次/半年 |
5 | 锥形垫圈 | CZ-20-E;白色; | 个 | 13 | 1次/年 |
6 | 锥形接头 | CJ-NC16-ETFE; | 个 | 13 | 1次/年 |
7 | 内螺纹软硬管对接头 | NI06-16-28P; | 个 | 2 | 1次/1年 |
8 | 护线圈 | 白色A=开孔4.5(通孔2) | 个 | 20 | 1次/半年 |
9 | 锥形垫圈 | 008CZ32;PTFE;本色 | 个 | 5 | 1次/1年 |
10 | 接头 | 008NC32-YC5U;材质无;蓝色;英制接头 | 个 | 2 | 1次/1年 |
11 | 螺纹转倒勾接头 | 1/16"ID*1/4-28UNF;PP;本色;螺纹9mm(PM1428-1PP) | 个 | 2 | 1次/1年 |
12 | 异径直通 | 1/16"-1/8"ID;PP;本色 | 个 | 3 | 1次/1年 |
13 | 异径直通 | 3/32"-1/16"ID;PP;本色 | 个 | 2 | 1次/1年 |
14 | T型三通接头 | 1/16"ID;PP;本色;T型 | 个 | 2 | 1次/1年 |
15 | T型三通接头 | 1/16"-1/16"-3/32"(中间);PP;本色;T型 | 个 | 2 | 1次/1年 |
16 | T型三通接头 | 3/32"-3/32"-1/16"(中间);PP;本色;T型 | 个 | 2 | 1次/1年 |
17 | Y型三通 | 3/32"ID;PP;本色;Y型 | 个 | 2 | 1次/1年 |
18 | 硅胶管 | 内径2mm外径4mm;硅胶;白色;符合ROHS标准 | 个 | 2 | 1次/1年 |
19 | 硅胶管 | 内径2mm外径4mm;硅胶;灰色;符合ROHS标准 | 米 | 0.05 | 1次/1年 |
20 | 硅胶管 | 内径2mm外径4mm;硅胶;黑色;符合ROHS标准 | 米 | 0.05 | 1次/1年 |
21 | 硅胶管 | 内径2mm外径4mm;硅胶;粉红;符合ROHS标准 | 米 | 0.05 | 1次/1年 |
22 | 硅胶管 | 内径2mm外径4mm;硅胶;红色;符合ROHS标准 | 米 | 0.05 | 1次/1年 |
23 | 硅胶管 | 内径2mm外径4mm;硅胶;黄色;符合ROHS标准 | 米 | 0.1 | 1次/1年 |
24 | 硅胶管 | 内径2mm外径4mm;硅胶;绿色;符合ROHS标准 | 米 | 0.05 | 1次/1年 |
25 | 硅胶管 | 内径2mm外径4mm;硅胶;天蓝色;符合ROHS标准 | 米 | 0.05 | 1次/1年 |
26 | 硅胶管 | 内径2mm外径4mm;硅胶;蓝色;符合ROHS标准 | 米 | 0.05 | 1次/1年 |
27 | 硅胶管 | 内径2mm外径4mm;硅胶;橙色;符合ROHS标准 | 米 | 0.05 | 1次/1年 |
28 | 硅胶管 | 内径2mm外径4mm;硅胶;透明;符合ROHS标准 | 米 | 0.05 | 1次/1年 |
2.4总磷:
序号 | 耗材名称 | 单位 | 数量 | 单价 | 更换周期 |
1 | 蠕动泵泵头 | 个 | 1 | 600 | 两年1次 |
2 | 管件包 | 包 | 1 | 1300 | 包含1年所有管件 |
管件包详细:
序号 | 耗材名称 | 规格 | 单位 | 数量 | 更换周期 |
1 | PTFE管 | 008T20-100-20;1*2mm;乳白色;勒琪;20米/包 | 米 | 9 | 1次/年 |
2 | FEP管 | 008F32-150-10,外径3.2内径1.6;FEP;本色(透明) | 米 | 0.5 | 1次/年 |
3 | 软管 | FLX66E(1-2),内径1/16 外径1/8 ; | 米 | 4 | 1次/年 |
4 | 软管 | FLX66E,内径1/8 外径1/4 ;本色;北昂流体 15米/卷 | 米 | 0.2 | 1次/年 |
5 | 硅胶管 | 内径2mm外径4mm;硅胶;白色 | 米 | 0.05 | 1次/年 |
6 | 硅胶管 | 内径2mm外径4mm;硅胶;粉红 | 米 | 0.05 | 1次/年 |
7 | 硅胶管 | 内径2mm外径4mm;硅胶;红色 | 米 | 0.05 | 1次/年 |
8 | 硅胶管 | 内径2mm外径4mm;硅胶;黄色 | 米 | 0.05 | 1次/年 |
9 | 硅胶管 | 内径2mm外径4mm;硅胶;绿色 | 米 | 0.05 | 1次/年 |
10 | 硅胶管 | 内径2mm外径4mm;硅胶;天蓝色 | 米 | 0.05 | 1次/年 |
11 | 硅胶管 | 内径2mm外径4mm;硅胶;蓝色 | 米 | 0.05 | 1次/年 |
12 | 硅胶管 | 内径2mm外径4mm;硅胶;透明 | 米 | 0.1 | 1次/年 |
13 | 异径直通 | 1/16"-3/32"ID;PP;本色 | 个 | 4 | 1次/年 |
14 | 异径直通 | 1/16"-1/8"ID;PP;本色 | 个 | 4 | 1次/年 |
15 | 异径直通 | 3/32"-1/16"ID;PP;本色 | 个 | 4 | 1次/年 |
16 | T型三通接头 | 1/16"ID;PP;本色;T型 | 个 | 1 | 1次/年 |
17 | T型三通接头 | 3/32"-3/32"-1/16"(中间);PP;本色;T型 | 个 | 2 | 1次/年 |
18 | T型三通接头 | 3/32"-3/32"-1/8"(中间);PP;本色;T型 | 个 | 1 | 1次/年 |
19 | 接头 | 008NC32-YC5U;材质无;蓝色;英制接头 | 个 | 5 | 1次/年 |
20 | 锥形垫圈 | 008CZ32;PTFE;本色 | 个 | 5 | 1次/年 |
21 | 锥形垫圈 | CZ-20-E;白色;勒琪;10个/包 | 个 | 10 | 1次/年 |
22 | 锥形接头 | CJ-NC16-ETFE;白色;勒琪;10个/包 | 个 | 10 | 1次/年 |
23 | 内螺纹软硬管对接头 | NI06-16-28P;材质无;颜色无 | 个 | 3 | 1次/年 |
24 | Y型三通 | 3/32"ID;PP;本色;Y型 | 个 | 2 | 1次/半年 |
25 | PTFE管 | FH-T33216-20 | 米 | 0.2 | 1次/年 |
2.5总氮:
序号 | 耗材名称 | 单位 | 数量 | 单价 | 更换周期 |
1 | 三通电池阀 | 个 | 1 | 两年1次 | |
2 | 硫酸阀 | 个 | 1 | 两年1次 | |
3 | 圆形电池阀 | 个 | 1 | 两年1次 | |
4 | 电池阀 | 个 | 1 | 两年1次 | |
5 | 三通两联阀组 | 个 | 1 | 两年1次 | |
6 | 消解模块 | 个 | 1 | 每年1次 | |
7 | 管件包 | 包 | 1 | 包含1年所有管件 |
管件包详细:
序号 | 耗材名称 | 规格 | 单位 | 数量 | 更换周期 |
1 | 密封圈 | D0403010122,透明 | 个 | 1 | 1次/年 |
2 | 密封圈 | D0403010127;黑色 | 个 | 1 | 1次/年 |
3 | 夹管阀软管 | D0402010049;2.8*4.8mm,米黄色 | 米 | 1 | 1次/半年 |
4 | 氟管(试剂) | D0402010121,1.6*3.2mm | 米 | 5 | 1次6个月 |
5 | 氟管(计量模块上使用) | D0402010044,1.6mm*3.0mm | 米 | 1 | 1次/1年 |
6 | 接头 | D0404010076 | 个 | 2 | 1次/1年 |
7 | 垫圈 | D0404010092 | 个 | 4 | 1次/1年 |
2.6毒性仪:
序号 | 耗材名称 | 单位 | 数量 | 单价 | 更换周期 |
1 | 注射器 | 个 | 1 | 7-10天跟换一次 | |
2 | 空调 | 个 | 1 | 3-4年视情况而定 | |
3 | 管件包 | 个 | 1 | 包含1年所有管件 |
管件包详细:
序号 | 耗材名称 | 规格 | 单位 | 数量 | 更换周期 |
1 | 硅胶垫片 | φ3*φ12*7.5;硅橡胶;圆形 | 个 | 4 | / |
2 | ABS圆管 | 外径3mm内径2.1mm(长度625px/根) | 米 | 1 | 半年 |
3 | 山耐斯气管 | PU6*4(内径*外径)mm;本色;山耐斯 | 米 | 7 | 半年 |
4 | 水管 | (外径*内径)8mm*5.5mm;本色;山耐斯 | 米 | 2 | 半年 |
5 | 氟橡胶管 | φ4mm外径*1mm壁厚;氟橡胶;黑 | 米 | 1 | 一个季度 |
6 | 硅胶管 | 内径4.8mm外径9.6mm;硅胶;本色 | 米 | 1 | 半年 |
7 | 软管 | FLX66E,内径1/8 外径1/4 ;本色;北昂流体 15米/卷 | 米 | 8 | 半年 |
8 | 变径直通接头 | BI-040/064;PP;本色半透明 | 个 | 3 | 半年 |
9 | 外牙阀接头 | 管径5/16 管螺纹G1/8;PE;白色 | 个 | 4 | 半年 |
10 | 外螺纹直通接头 | M8-064-PP;PP;本色半透明 | 个 | 3 | 半年 |